881-基于AFE7950的4T4R X波段射频直采高性能AI算力设备
一款通用射频处理一体化处理平台,专注于L/S/C/X波段(600MHz - 12GHz)的雷达应用。

一、产品简介
一款通用射频处理一体化处理平台,专注于L/S/C/X波段(600MHz - 12GHz)的雷达应用。
1、关键技术特点:
射频直接采样:
1)最大亮点:无需传统的外置混频器、本振和中频电路
2)直接在 L, S, C, X 频段 (600MHz - 12GHz) 进行采样
3)核心价值:极大简化了系统架构,减少了元器件数量,降低了系统复杂度和潜在故障点。
2、高带宽多通道收发器:
1)支持多通道并行收发处理
2)高带宽能力是支撑宽频带信号(尤其是X波段雷达信号)直接采样的基础
3、强大的硬件处理架构:
1)前端预处理:Xilinx Kintex UltraScale FPGA - 提供强大的实时信号处理能力,可负责高速数据采集、数字下变频、滤波、脉冲压缩等前端处理任务。
2)端智能处理:NVIDIA Jetson Orin AGX 算力模组 - 提供强大的 AI 算力和通用计算能力,用于目标检测、跟踪、分类、成像等更复杂的算法处理。
4、一体化集成平台:
1)将射频采样、高速FPGA处理、高性能AI计算集成在一个平台上。
2)省去了复杂的板卡互连和系统集成工作。
5、灵活性与易用性:
1)波形参数灵活配置: 支持用户根据需求配置雷达波形。
2)二次开发友好: 用户只需专注于在 Jetson Orin AGX 上进行上层应用软件的开发(如雷达信号处理算法、AI模型部署等),无需过多涉及底层硬件和射频设计
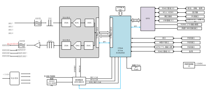
二、板卡原理框图

信号处理机主要组成部包括如下模组:
1. 电源模块
1)将外部电压转为各主芯片所需供电电压,需满足降额使用要求
2)为主芯片AFE7950、FPGA及通过拓展接口为GPU模组供电
2.AFE7950射频模块射频性能:
1)提供4个X波段发射通道:DAC采样率达12GSPS
2)提供4个X波段接收通道:ADC采样率达3GSPS
3)提供2个feedback ADC通道
4)最大射频信号带宽
a. 4TX or 2FB: 1200 MHz or 2TX: 2400 MHz
b. RX: 1200 MHz (no FB), 600 MHz (with FB)
5)数字步进衰减器 (DSA):
– TX:40 dB 范围,0.125 dB 步进
– RX 或 FB:25 dB 范围,0.5 dB 步进
6)高速接口
a.兼容 JESD204B、JESD204C
b.最多支持8个SerDes收发器,速率高达29.5 Gbps
c.支持芯片级联同步
3.时钟模块
1)为AFE7950、FPGA提供参考时钟
2) FPGA设计独立时钟
4.FPGA模块
1)选用Xilinx公司XCKU060
5.GPU 模块
1)接口适配NVIDlA Jetson Orin AGX
6. 接插件(对外接口)
1)电源及低速信号接口
2) 两路RS422
3) 控制IO
4) 千兆网口
6) USB*2
7) HDMI
8) 699pin 高速板对板连接器
7. 操作条件:
1)工作温度:-40~+60℃
2)电源:+12V±2VDC,具备防反插功能
三、核心价值: 显著加速产品验证和定型周期。
JN-X50是一款利用射频直接采样技术颠覆传统雷达射频架构的高性能一体化处理平台。它通过集成高带宽收发器、Xilinx FPGA(实时处理)和NVIDIA Jetson Orin AGX(AI计算),在保证优异相位幅度一致性的前提下,极大地简化了系统设计、降低了成本,并为用户提供了在通用计算平台上进行快速二次开发的能力,是加速新一代宽频带、智能化雷达系统开发的理想硬件平台。
四、核心优势:
1)显著降低系统复杂度: 射频直采架构,移除了传统射频链路中最复杂的变频环节
2)降低成本: 减少元器件(混频器、本振、滤波器等)、简化设计、缩短开发周期,综合降低了系统BOM成本和开发成本
3)优异的相位幅度一致性:这是高性能雷达(尤其是相控阵雷达)的关键指标,一体化设计和减少模拟环节有助于提升和保持稳定性
4)宽频带支持: 覆盖从600MHz到12GHz的广泛应用范围,适用于多种雷达类型
5)高性能处理能力: FPGA + GPU的异构计算架构,兼顾实时性处理和高阶智能处理需求
6)加速开发:提供成熟的硬件平台,开发者聚焦于核心算法和应用,快速实现原型验证和产品化
典型应用:
主要应用于工作在 600MHz 至 12GHz 频段的各种雷达系统,例如:
1)气象雷达
2)海事雷达
3)无人机感知雷达
4)安防监控雷达
5)低空目标监视雷达
6)成像雷达等
7)便携式无线信号模拟源(频谱侦测)平台
更多推荐
所有评论(0)