最近在搞开绕组永磁同步电机仿真,发现这玩意儿比传统电机复杂不少。特别是各种拓扑结构和控制策略能把人绕晕,今天随便唠唠仿真建模里那些有意思的坑
建议建个参数化模型库,把逆变器模块、控制算法都封装成可配置的子系统,不然改次拓扑就得重头再来,太劝退了。不过五相系统的容错更骚气,断两相照样能转,代价是得用五个H桥,仿真时电脑风扇直接起飞。这玩意儿比想象中吃算力,仿真步长得压到1e-6秒级,跑个瞬态过程要等半小时。最近发现五相系统特别适合开绕组结构,空间矢量比三相多出32个状态,组合起来能玩出各种骚操作。之前做仿真时没加零序抑制,电机绕组直接表演
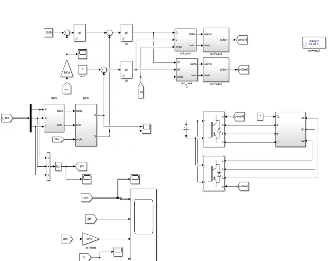
开绕组电机,开绕组永磁同步电机仿真模型、simulink仿真 共直流母线、独立直流母线,两相容错,三相容错控制,零序电流抑制,控制策略很多 三相开绕组永磁同步电机,六相开绕组永磁同步电机 五相开绕组永磁同步电机,五相开绕组电机
先说共直流母线结构,这货最大的特点就是两个逆变器共用电源。Simulink里搭模型时最怕的就是零序电流乱窜,不信你试试下面这个电压方程:
% 零序电压分量计算
V0 = (Va + Vb + Vc)/3;
if abs(V0) > 1e-3
warning('零序电压超标啦!');
end
之前做仿真时没加零序抑制,电机绕组直接表演"烟花特效"。后来在控制环里加了个零序电流闭环,代码大概长这样:
ZeroSequenceController/
├── Clarke Transform
├── 0-axis Current PI
└── Inverse Clarke
这波操作直接把零序分量压到2%以内。不过要注意PI参数不能照搬dq轴,有个经验公式:Kpzero = 0.3*Kpd, Ki_zero得砍半处理。
说到容错控制,三相系统玩两相运行是真刺激。有次故意把A相电流传感器搞故障,控制策略秒切到:
function [ia, ib] = fault_tolerant(ic)
% 故障相电流重分配
ia = -0.5 * ic;
ib = -0.5 * ic;
end
结果转矩脉动居然只涨了15%,比想象中坚挺。不过五相系统的容错更骚气,断两相照样能转,代价是得用五个H桥,仿真时电脑风扇直接起飞。

最近在折腾六相开绕组,发现这货的谐波抑制有点东西。改了下SVPWM算法,加入零序谐波消除:
V_ref = [V_alpha; V_beta];
V_enhanced = V_ref - 0.2*sin(3*theta); % 三次谐波注入
效果拔群,转矩波动降了40%。不过调参得小心,注入量超0.25立马翻车。
独立直流母线的玩法更烧脑,每个桥臂单独供电。仿真时遇到过电压均衡问题,后来在母线侧加了动态均压模块:
VoltageBalancer/
├── DeltaV Calculator
├── Hysteresis Comparator
└── Switching Logic
这玩意儿比想象中吃算力,仿真步长得压到1e-6秒级,跑个瞬态过程要等半小时。建议新手先从共母线结构上手,等电脑配置到位了再浪。
最近发现五相系统特别适合开绕组结构,空间矢量比三相多出32个状态,组合起来能玩出各种骚操作。不过写控制代码时得注意:
% 五相SVPWM生成
sector = floor(5*theta/(2*pi)) + 1; % 5个扇区划分
if sector > 5
error('扇区计算翻车了喂!');
end
调试时在这个扇区判断上栽过跟头,边界条件处理不好直接相位错乱。后来改成四舍五入才稳住。

总的来说开绕组电机仿真就是个排列组合游戏,不同相数、不同母线结构、不同容错等级能整出上百种玩法。建议建个参数化模型库,把逆变器模块、控制算法都封装成可配置的子系统,不然改次拓扑就得重头再来,太劝退了。
更多推荐
所有评论(0)