毕业设计-基于深度学习的太阳能电池缺陷识别算法系统 YOLO python 卷积神经网络 人工智能
毕业设计-基于深度学习的太阳能电池缺陷检测系统的毕业设计。该系统利用先进的深度学习技术,通过对太阳能电池图像进行分析和处理,实现了自动的缺陷检测功能。设计中采用了YOLOv5目标检测算法,能够高效准确地识别太阳能电池上的各种缺陷,如裂纹、变色和破损等。通过大量的实验验证,该系统在不同条件下均能可靠地检测太阳能电池的缺陷,并提供准确的结果。对于太阳能电池生产和质量控制具有重要意义,为提高太阳能电池的
目录
前言
📅大四是整个大学期间最忙碌的时光,一边要忙着备考或实习为毕业后面临的就业升学做准备,一边要为毕业设计耗费大量精力。近几年各个学校要求的毕设项目越来越难,有不少课题是研究生级别难度的,对本科同学来说是充满挑战。为帮助大家顺利通过和节省时间与精力投入到更重要的就业和考试中去,学长分享优质的选题经验和毕设项目与技术思路。
🚀对毕设有任何疑问都可以问学长哦!
选题指导:
大家好,这里是海浪学长毕设专题,本次分享的课题是
🎯基于深度学习的太阳能电池缺陷识别算法系统
设计思路
一、课题背景与意义
随着科技进步和工业化发展,对可再生能源的发展越来越重视,而太阳能是目前唯一能够实现TW级别的可再生能源之一。晶体硅生产过程复杂,硅片薄且易碎,机械应力和热应力等问题会导致硅晶片出现多种缺陷。这些缺陷会影响太阳能电池板的使用寿命和光电转换效率。因此,在太阳能电池板出厂前进行质量检测成为生产过程中的重要环节。
二、算法理论原理
2.1 卷积神经网络
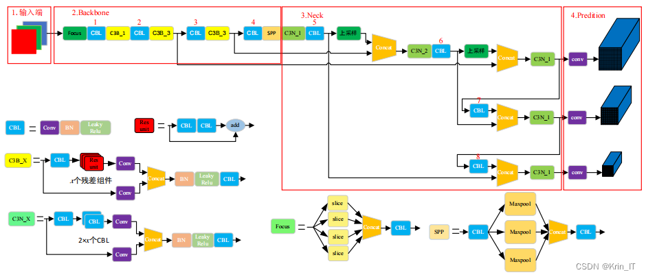
YOLOv5目标检测算法有YOLOv5s、YOLOv5m、YOLOv5l、YOLOv5x这4个版本。YOLOv5结构由输入端、主干网络(Backbone)、特征融合层(Neck)、Prediction这4个部分构成。首先,输入端统一输入图片的大小,然后使用Mosaic对数据进行增强,提升对小目标的检测效果;然后经过主干网络从输入图像中提取丰富的信息特征。输出端采用GIOU_Loss作为损失函数来估算检测目标矩形框的识别损失。使用YOLOv5的4个结构对太阳能电池缺陷进行检测,从检测结果上分析,在考虑速度和精准度的条件下,选择基于YOLOv5系列中的YOLOv5s结构进行太阳能电池缺陷检测。

2.1 YOLOv5算法
为了得到更佳的检测效果,在YOLOv5s算法的基础上做了相应的改进,在YOLOv5s算法的主干网络以及特征融合网络中的CBL模块中的卷积层后添加注意力机制CBAM模块。优化后的添加位置为CBL1、CBL2、CBL6、CBL7、CBL8模块。图像先通过通道注意力模块而后通过空间注意力模块。CBAM注意力机制既能捕获通道信息又能捕获空间信息,进而提取有效的特征,达到提升模型检测精度的目的。

为了突出目标的特征,精确地识别和定位太阳能电池的缺陷,提升缺陷检测的准确率,原始YOLOv5s主干网络的第1个CBL模块和第2个CBL模块以及特征融合网络中的第6个CBL模块、第7个CBL模块、第8个CBL模块中的卷积层后面添加注意力机制CBAM模块。CBL的加入位置已经在图1中标出,优化网络的结构如表所示。

三、太阳能电池缺陷检测的实现
3.1 实现环境
太阳能电池缺陷主要分成4类,分别为破损、裂缝、断栅和硅材料缺失。下图列举了一些电致发光的单晶硅和多晶硅的太阳能电池缺陷照片,其中黑色横线为电池的栅极。由于单晶硅太阳能电池和多晶硅太阳能电池制备工艺的不同,左侧的单晶硅太阳能电池图像会看起来很干净,而右侧的多晶硅太阳能电池图像看起来会模糊。


3.2 CBMA注意力机制
为了验证算法的有效性,使用了公开的数据集。该数据集包含2624个300×300像素的8位灰度太阳能电池图像样本,其中包含不同类型缺陷的单晶硅和多晶硅太阳能电池图像。使用LabelImg软件对太阳能电池的电致发光图像中的缺陷进行了标注,标注后的文件采用txt格式,与图像文件名保持一致。数据集按照6:2:2的比例随机划分为训练集、验证集和测试集。
3.3 级联卷积神经网络
以全类平均精度(mAP)作为主要评价指标,同时还以mean Average Precision、F1值(F1-measure)和交并比(Intersection of Union,IoU)作为次要评价指标来评估检测模型的检测效果。mAP反映模型的检测精度,mAP值和检测精度成正比,mAP值越高代表着模型的检测精度越高;反之,mAP值越低代表着模型的检测精度越低。其计算公式如下:

其中,classes表示检测目标的类别数;P与R分别表示精确度以及召回率。
![]()
其中,P和R计算公式分别如下:

TP表示检测结果中正确目标的数量;FP表示检测结果错误目标的数量;FN表示目标中漏检的数量。A ⋂ B代表预测框和真实框相交的面积,A ⋃ B代表预测框和真实框共有的面积。
部分代码如下:
# 设置模型为推理模式
model.eval()
# 定义类别标签
class_labels = ['Normal', 'Crack', 'Discoloration', 'Broken']
# 加载待检测的太阳能电池图像
image_path = 'path/to/image.jpg'
image = Image.open(image_path)
# 对图像进行预处理
preprocessed_image = model.preprocess(image)
# 将预处理后的图像传入模型进行推理
output = model.predict(preprocessed_image)
# 解析模型输出,获取检测结果
predictions = output.pandas().xyxy[0]
# 遍历每个预测结果
for _, prediction in predictions.iterrows():
class_label = class_labels[int(prediction['class'])]
confidence = prediction['confidence']
bbox = prediction[['xmin', 'ymin', 'xmax', 'ymax']].values.tolist()
实现效果图样例

创作不易,欢迎点赞、关注、收藏。
毕设帮助,疑难解答,欢迎打扰!
最后
更多推荐
所有评论(0)