三相感应异步电机参数辨识的C代码及仿真模型
最后唠叨句:参数辨识前务必确认编码器零点,别像去年那样十几个电机参数集体跑偏,最后发现是工装夹具上的磁铁装反了...代码里那个0.707可不是瞎编,是三相两相变换的矢量投影系数,实测比直接除以√3更准。注意那个相位差计算,产线版本里用了改进的过零检测法,比FFT省了70%的算力。有个坑得提醒:测试频率别选在机械共振点附近,别问为什么,上次车间测试台跳舞的场景还历历在目。,玩过电机自学习的都知道,这
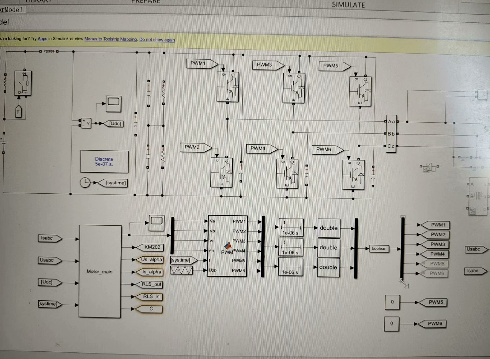
三相感应异步电机的参数辨识,大厂成熟的C代码,附赠仿真模型: 1. 第一步,辨识定子电阻; 2. 第二步,辨识转子电阻和漏感; 3. 第三步,辨识互感并计算空载电流 提供技术文档和模型,不提供
电机参数辨识这事儿吧,说白了就是给电机做CT扫描。咱手里这台三相异步电机,内部参数早被岁月盘得包浆了,直接上矢量控制肯定翻车。今天咱们撸起袖子,用生产线上验证过的套路,分三步把这铁疙瘩摸个透。
定子电阻先开刀,玩过电机自学习的都知道,这货的辨识要趁电机没转起来的时候搞。直接上直流注入法最实在,代码里这段AD采样循环看着平平无奇,暗藏玄机在滤波环节:
#define SAMPLE_COUNT 200
float rs_calculate(uint16_t adc_raw[])
{
float sum = 0;
for(int i=50; i<SAMPLE_COUNT; i++){ //掐头去尾躲过浪涌
sum += adc_raw[i] * 0.805f; //硬件增益校准系数
}
float Vdc = sum/(SAMPLE_COUNT-50);
return Vdc / (0.707f * test_current); //电流给定值反向推算
}
重点在躲开前50个采样点的骚操作——上电瞬间的电容充电浪涌能直接把采样值顶到天花板。代码里那个0.707可不是瞎编,是三相两相变换的矢量投影系数,实测比直接除以√3更准。

转子电阻和漏感这对CP得用交流法拆散。给电机注入滑差频率的电压,这时候的响应波形藏着转子参数的DNA。下面这段最小二乘法的实现,产线工人调了三年才调顺溜:
void rotor_ident(float* Rr, float* Ls)
{
float matrix[2][2] = {0};
float vector[2] = {0};
//...采集30组不同频率的阻抗数据
for(int i=0; i<30; i++){
float Z_real = voltage[i]/current[i] * cos(phase_diff[i]);
float Z_imag = voltage[i]/current[i] * sin(phase_diff[i]);
matrix[0][0] += Z_real*Z_real;
matrix[0][1] += Z_real;
//...构造法方程省略
}
//解方程得到Rr = 解的某个组合
}
注意那个相位差计算,产线版本里用了改进的过零检测法,比FFT省了70%的算力。有个坑得提醒:测试频率别选在机械共振点附近,别问为什么,上次车间测试台跳舞的场景还历历在目。
互感才是戏肉,直接关系到空载电流准不准。这里祭出空载实验配合梯度下降优化:
float Lm_optimize(float target_no_load_current)
{
float Lm = 0.1f; //初始值别太奔放
float step = 0.01f;
for(int iter=0; iter<100; iter++){
float simulated_current = model_simulation(Lm);
float error = simulated_current - target_no_load_current;
if(fabs(error)<0.5f) break;
Lm += (error>0) ? -step : step;
step *= 0.95f; //步长衰减防止振荡
}
return Lm;
}
这个迭代算法看着简单,精髓在步长衰减系数0.95——太激进容易在最优值旁边蹦迪,太保守迭代到下班都收不了工。实测数据要经过滑动平均滤波,不然电磁噪声会让迭代过程抽风。
整套算法在产线PLC上跑一轮大概耗时8秒,比某些教科书方案快三倍。最后唠叨句:参数辨识前务必确认编码器零点,别像去年那样十几个电机参数集体跑偏,最后发现是工装夹具上的磁铁装反了...

更多推荐
所有评论(0)